Xi lanh điện CAT 33

Liên hệ

Lực đẩy 3 000 N
Lực kéo 3 000 N
Tốc độ tối đa đủ tải 52 mm/s
Hành trình 100 – 400 mm
Điện áp 12/ 24 VDC – 120/ 230/ 400 VAC
Hiệu suất hoạt động (%) 30
Nhiệt độ môi trường hoạt động -20 đến +50 °C
Cấp bảo vệ IP rating IP 66

Xi lanh điện CAT 33 thuộc nhóm sản phẩm Xi lanh điện tải lớn của Hãng EWELLIX. Xi lanh điện tải lớn có khả năng đáp ứng các yêu cầu có tải trọng lớn (lên đến 12000N). Với cấu trúc vòng chặn kết hợp seal kín khít, khả năng chống bụi và chống nước đạt đến IP 66/69K.

Ứng dụng đa dạng trong máy móc cỡ lớn trong sản xuất nông nghiệp, khai khoáng Công ty Cổ phần Minh Việt phân phối chính hãng EWELLIX

Bảng thông số kỹ thuật Xi lanh điện CAT 33

  Unit CAT 33 – AC version CAT 33 – DC version
Rated push load N 800 to 3 000 800 to 3 000
Rated pull load N 800 to 3 000 800 to 3 000
Speed (at full load) mm/s 5 to 24 1) 5 to 52 1)
Stroke mm 100 to 400 100 to 400
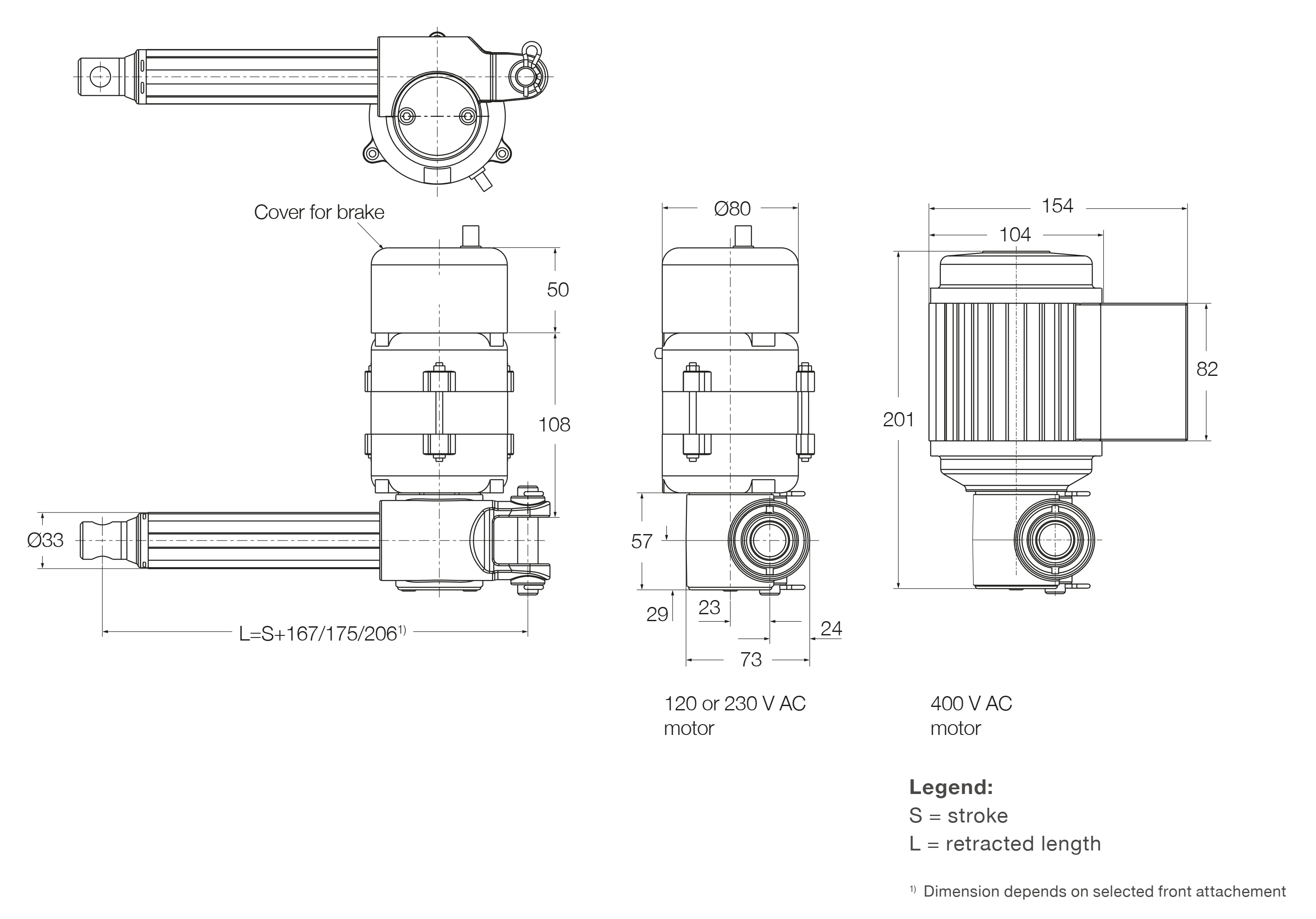
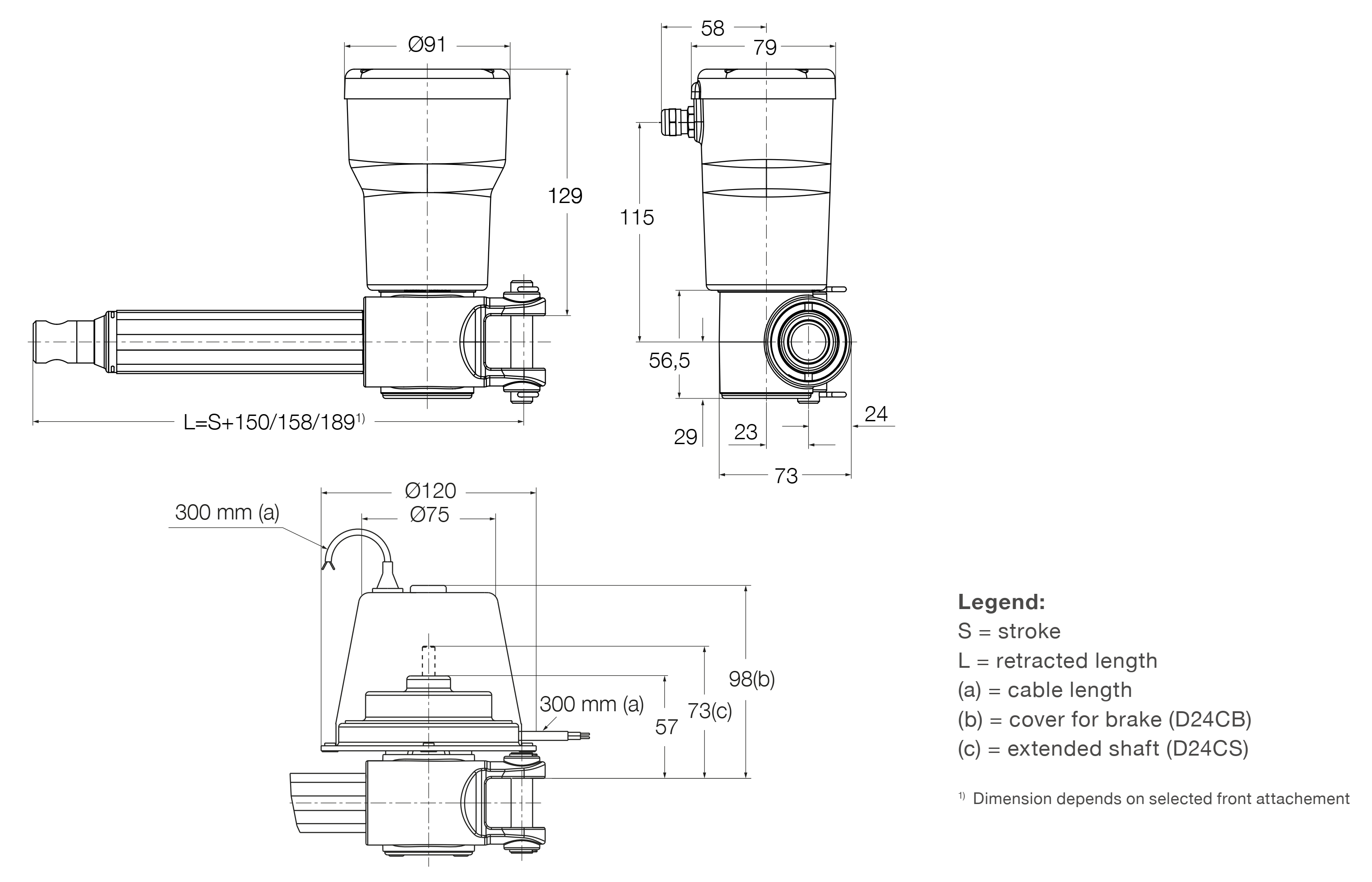
Retracted length mm S+150/158/189 2) S+150/158/189 2)
Voltage V AC 120, 230 or 400
V DC 12 or 24
Power consumption 120 V AC W 98 (brake 133,2 W)
230 V AC W 92 (brake 117,3 W)
400 V AC W 80
12 or 24 V DC W N/A
Current consumption 120 V AC A 0,82 (brake +0,29 A)
230 V AC A 0,4 (brake + 0,11 A)
400 V AC A 2
12 V DC A 18
24 V DC A 9
24 V DC A 5 (for motors C24CW and
D24CW)
Duty cycle % 30 15
Ambient temperature °C –20 to +50 –20 to +50
Type of protection IP 20/54/55 20/44/66 1)
Weight kg 2 to 2,7 2 to 2,7

1) Depending on selected motor
2) Dimension depends on selected front attachment

Bản vẽ Xi lanh điện CAT 33 – AC versionCAT 33 Bản vẽ AC version

Bản vẽ Xi lanh điện CAT 33 – DC version

CAT 33 Bản vẽ DC Version

 

 

Biểu đồ lực Xi lanh điện CAT 33

AC version

CAT 33 Biểu đồ lực AC version

 

DC version

CAT 33 Biểu đồ lực DC Version

 

Hiệu suất hoạt động Xi lanh điện CAT 33

CAT 33 Hiệu suất hoạt động AC Version

 

EWELLIX là nhà cung cấp toàn cầu về các giải pháp truyền động và chuyển động tuyến tính. Ngày nay, các giải pháp tuyến tính hiện đại của EWELLIX được thiết kế để tăng hiệu suất máy. Tối đa hóa thời gian hoạt động, giảm bảo trì, cải thiện độ an toàn và tiết kiệm năng lượng.

EWELLIX thiết kế các giải pháp cho tự động hóa công nghiệp, thiết bị y tế, máy móc di động. Phân phối công nghiệp và các ứng dụng công nghiệp khác.

Xi lanh điện EWELLIX năng suất cao hơn với chuyển động nhanh và mượt mà. Tích hợp dễ dàng và nhanh chóng vào thiết bị của khách hàng cũng thông qua giao tiếp bus CAN. Độ tin cậy và bảo vệ cao hơn. Tiết kiệm chi phí và hầu như không cần bảo trì. Giám sát và chẩn đoán trên bo mạch.

Đặc trưng: Phản hồi vị trí tuyệt đối hoặc tăng dần và công tắc giới hạn (tùy chọn). Tích hợp bảo vệ quá tải và quá nhiệt. Kết cấu chắc chắn, dải nhiệt độ rộng, chống ăn mòn. Nền tảng SmartX với bộ điều khiển tích hợp.